CHP-6型是本公司系列產品中較通用的一款機型,具備靈活、無鐵屑飛濺、操作安全,不占固定場地等特點,適合加工普通碳鋼,不銹鋼,鋁合金等板材或管口的倒角或焊接坡口。其主要特性如下:坡口速度快、加工面質量穩定、無需裝夾工件、效率高。冷加工方式:不改變板材金屬特性,無后續修磨,提高焊接質量。投資小,加工工件的長度無限制。靈活,便攜,既適合大批量生產,也可分散在焊接現場靈活應用,一名操作員可以同時照看多臺設備,工況條件簡單。本機的加工能力坡口速度每分鐘1.8米、適用于厚度6-16毫米的各種板材、第一次行進能加工出的坡面寬度6毫米(當板才為400MPa普通碳鋼時)。

平板坡口機是如何加工鋼板的?

CHP-6外觀

1)電器盒:啟動開關及急停按鈕。
2)把手
3)正反轉旋鈕:在本機的左手側設置有正反轉旋鈕。假使工作過程中本機在鋼板上卡住、主軸停轉、不能前進,請啟動反轉功能、使本機與工件脫開。
4)三相電機:1410r/min; 0.5KW; 380V。
5)機架
6)急停按鈕:緊急停機后需要重新啟動時,請將斷路器的按鍵重新按下。
7)調節手輪:調節鋼板的平行,
8)支撐板:支撐板兩邊各有一只滾輪,支撐鋼板與刀具主軸成一定的角度。
9)調節螺絲:根據坡口鋼板的厚度來定位滾輪高度。
CHP-12 外觀

1)電器盒:啟動開關及急停按鈕。
2)把手
3)正反轉旋鈕:在本機的左手側設置有正反轉旋鈕。假使工作過程中本機在鋼板上卡住、主軸停轉、不能前進,請啟動反轉功能、使本機與工件脫開。
4)三相電機:1360r/min; 2.2KW; 380V。
5)機架
6)急停按鈕:緊急停機后需要重新啟動時,請將斷路器的按鍵重新按下。
7)調節手輪:調節鋼板的平行,
8)支撐板:支撐板兩邊各有一只滾輪,支撐鋼板與刀具主軸成一定的角度。
9)調節螺絲:根據坡口鋼板的厚度來定位滾輪高度。
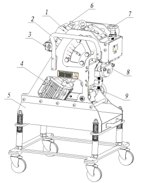
CHP-12G外觀

1)電器盒:啟動開關及急停按鈕。
2)把手
3)正反轉旋鈕:在本機的左手側設置有正反轉旋鈕。假使工作過程中本機在鋼板上卡住、主軸停轉、不能前進,請啟動反轉功能、使本機與工件脫開。
4)三相電機:1360r/min; 2.2KW; 380V。
5)機架
6)急停按鈕:緊急停機后需要重新啟動時,請將斷路器的按鍵重新按下。
7)調節手輪:調節鋼板的平行,
8)支撐板:支撐板兩邊各有一只滾輪,支撐鋼板與刀具主軸成一定的角度。
9)調節螺絲:根據坡口鋼板的厚度來定位滾輪高度。
The CHP-28 外觀

CHP-6 裝箱單
|
序號 |
名稱 |
數量 |
備注 |
|
1 |
機器主機 |
1 |
|
|
2 |
工具箱 |
1 |
|
|
3 |
盤刀 |
2 |
標準配置 |
|
4 |
開口扳手 |
2 |
24-26;18-19; |
|
5 |
方孔墊片 |
1 |
管子外坡口時替代支撐板(圖號034)使用 |
|
6 |
定位軸 |
1 |
管子外坡口時使用(圖號031) |
|
7 |
內六角扳手 |
1 |
M8 |
|
8 |
內六角扳手 |
1 |
M6 |
|
9 |
安裝盤刀 |
1 |
|
CHP-12 技術參數
|
重量 |
:63公斤 |
|
工作電源 |
:3相 380/50 |
|
電機功率 |
:2200 |
|
轉速 |
:1400轉/分鐘 |
|
坡口速度 |
:2.6米/分鐘 |
|
集成控制 |
:集成有正反轉開關,緊急停按鈕電控盒 |
|
一次性加工出的坡口寬度 |
:12毫米(當板材為400MP普通碳鋼時) |
|
可加工板材的最小厚度 |
:6毫米 |
|
可加工板材的最大厚度 |
:40毫米 |
|
管子坡口的最小內徑 |
:100毫米 |
|
可加工板材的最小寬度 |
:55毫米 |
CHP-12 裝箱單
|
名稱 |
數 量 |
備 注 |
|
1)機器主機 |
1臺 |
|
|
2)工具箱 |
1只 |
|
|
3)盤刀 |
2把 |
標準配置 |
|
4)開口扳手 |
2只 |
24-26;18-19; |
|
5)方孔墊片 |
1只 |
管子外坡口時替代支撐板(圖號034)使用。 |
|
6)定位軸 |
1只 |
管子外坡口時使用(圖號031)。 |
|
7)內六角扳手 |
1只 |
M8 |
|
8)內六角扳手 |
1只 |
M6 |
|
9)安裝盤刀夾具 |
1只 |
|
|
10)說明書 |
1本 |
|
CHP-12G 裝箱單
|
名 稱 |
數 量 |
備 注 |
|
1)機器主機 |
1臺 |
|
|
2)工具箱 |
1只 |
|
|
3)盤刀 |
2把 |
標準配置 |
|
4)開口扳手 |
2只 |
24-26;18-19; |
|
5)定位軸 |
1只 |
管子外坡口時使用(圖號031)。 |
|
6)內六角扳手 |
1只 |
M8 |
|
7)內六角扳手 |
1只 |
M6 |
|
8)安裝盤刀夾具 |
1只 |
|
|
9)說明書 |
1本 |
|